产品描述
德国E+H公司(Endress+Hauser) – Flowfit CUA262浊度测量安装支架
不锈钢焊入式流通安装支架,适用于饮用水、过程水和公用事业
产品规格参数
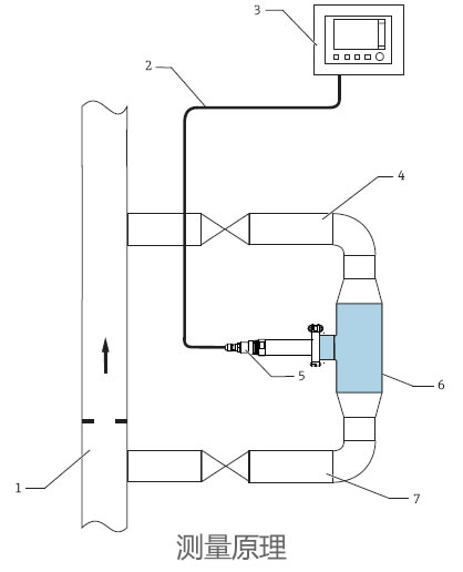
测量原理:单波束散射光
应用:
流通式安装支架,适用饮用水应用
和配水管网流通式安装支架,适用过程水应用
集成至工厂/撬装设备中
设计:不锈钢流通式安装支架,外径100mm,2mm,壁厚,1.4404
材质:不锈钢1.4404
外形尺寸:200 x 164mm
过程温度:0 .. 85°C
过程压力:0 .. 6 bars
连接:焊座
应用领域
德国E+H公司(Endress+Hauser) – Flowfit CUA262是浊度测量的流通式安装支架,适用于所有饮用水和过程水应用场合。采用卫生型设计,允许直接焊接在防滑装置、管道或工厂设备上 – 无需旁路安装。坚固耐用的不锈钢材料能耐高压和高温,完全适用于饮用水测量。因此,可以节约过程中的每一滴水。便捷地使用接头连接和自动排气功能,加速了传感器安装和调试。
Flowfit CUA262是一款流通式安装支架,用于焊接在防滑装置、管道或工厂设备上。与Turbimax CUS52D传感器配套使用:
饮用水和过程水:
– 从水厂进水口至出水口的所有测量点
– 提取和原水控制
– 水生产中的所有质量控制点
污水处理厂:
– 出水口水的再利用
所有行业中的公用事业:
– 水生产中从进水口至出水口的所有测量点
– 水网的所有测量点
优势
无介质丢失的浊度测量:卫生型在线测量能节约过程中的每一滴水。
不再需要旁路安装:卫生型设计允许直接焊接在管道、防滑装置或工厂设备上。
小型化设计:小外形尺寸,节约防滑装置的安装空间。
快速传感器安装和调试:便捷地使用接头连接和自动排气功能,加速集成至过程中。
坚固耐用的结构设计:适用于最高过程压力为6 bar (87 psi)和最高温度为85°C (185°F)的应用场合。







粤公网安备 44010502000510号